
4P2T スライド スイッチは、2 つの安定したスイッチング状態を持つ 4 つの独立した回路を同時に制御し、コンパクトなアプリケーションで効率的なマルチパス回路選択を可能にします。
ブランド:
Gangyuan商品番号。:
SK42D02-EG4注文(MOQ):
1000支払い:
100% before production製品の起点:
Wenzhou色:
Black出荷ポート:
Ningbo or Shenzhenリードタイム:
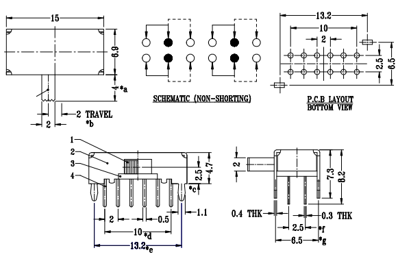
7-15 working days幅
15.00mm x 4.70mm取り付けタイプ
Right Angle照明
Non-llluminatedIP 定格
No IP RatingPCB実装小型スライドスイッチ
標準仕様
定格: 0.3A 50V
操作力:250±100gf
フルトラベル:2±0.2mm
動作寿命:10,000サイクル
スライドスイッチノブ:4mm
動作温度範囲: -20℃~70℃
スライドスイッチの寸法
マイクロ 2P2T スライドスイッチ
特徴
4P2Tスライドスイッチの主な特徴(簡潔で統合)
あなたは私達のプロダクトに興味があり、詳細を知りたいのですが、ここにメッセージを残してください
カテゴリー
新製品
著作権 © 2025 Wenzhou Gangyuan Electronics Co., Ltd.. 全著作権所有. パワーバイ
IPv6ネットワークがサポートされています